简体中文
English
首页
关于集团
业务板块
研发制造
新闻动态
QHSE
投资者关系
加入我们
联系我们
共
2
个产品
完井测试
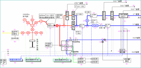
利用地层测试组合工艺,完成射孔、排液、测试、酸压等系统作业,并通过测试工具携带的压力计记录井下压力、温度的变化,从而直接取得或通过油藏工程计算求得地层渗流属性参数,达到评价油藏的目的。
¥ 0.00
立即购买
地面计量
利用三相流体地面计量装备及仪器,按照一定的工艺流程,对井筒内产出的流体进行分离计量,结合压力等资料,对地层的产能进行分析,求得油井产能大小,并确定最佳的生产制度。
¥ 0.00
立即购买
领先的云计算网站建设服务商
넳
넲
本网站由阿里云提供云计算及安全服务
本网站支持
IPv6
本网站由阿里云提供云计算及安全服务
本网站支持
IPv6
本网站由阿里云提供云计算及安全服务
本网站支持
IPv6
本网站由阿里云提供云计算及安全服务
本网站支持
IPv6